Контакты
Новости
Каталоги
 Войти
Сортировать:
Сначала новые
Сначала старые
Цена ↑
Цена ↓
Кол-во ↑
Кол-во ↓
Имя A→Я
Имя Я→A
Серийник ↑
Серийник ↓
AGCO2324P00301
3 138 ₽
812710-787X -
2 390 ₽
84341718 - кабель
2 423 ₽
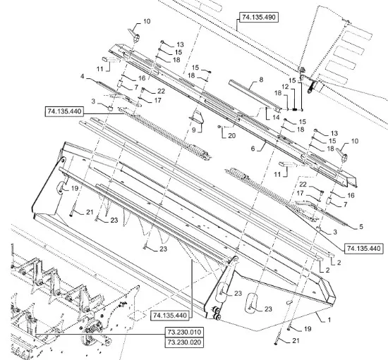
87373966 - направляющая
28 170 ₽
87374 - шайба
397 ₽
87374127 - ящик
17 422 ₽
87374150 - рукоятка
4 922 ₽
87374155 - Втулка
1 849 ₽
87374162 - втулка
121 ₽
87374166 - переключатель
6 275 ₽
87374182 - Аммортизатор газ. двери T7/Pm., T6/Maxx.
3 605 ₽
87374242 - гидрораспределитель
50 230 ₽
87374246 - пластина
4 190 ₽
87374250 - секция клапана
65 989 ₽
87374315 - Втулка вала привода жатки H/ECap, Vari, 720, 2030
3 122 ₽
87374324 - распорка
73 ₽
87374325 - шланг
21 537 ₽
87374411 - Фильтр в сборе
80 459 ₽
87374530 - проставка
967 ₽
87374582 - фланец
3 828 ₽
87374583 - Ступица
40 885 ₽
87374584 - звездочка
5 958 ₽
87374591 - звездочка
104 636 ₽
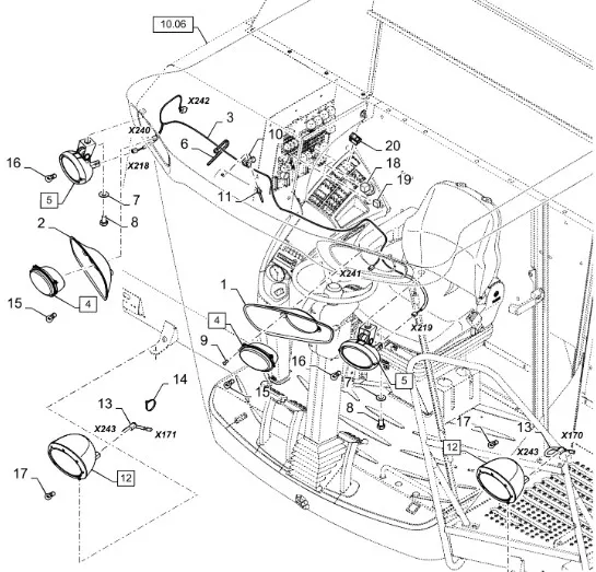
87374601 - Фара
8 108 ₽
«
<
1
...
216
217
218
219
220
...
34117
>
»
Страница:
Перейти